CF-10 je ideálny na ťažbu dreva, na čistenie polí a okrajov ciest.
Nožnice sú k dispozícii ako pevné alebo plne otočné o 360 stupňov pomocou hydraulického rotátora na odstraňovanie stromov alebo sekanie spadnutého dreva.
Reže drevo úhľadne a presne v požadovanom bode od úrovne terénu - jeho technické vlastnosti zabezpečujú, aby boli pne rezané nízko na úrovni terénu.
Jednoduché pripájanie a používanie.
Najmenší stroj z tohto radu a jeho nízka hmotnosť umožňuje mini bagru udržať si svoju kapacitu.
2v1: rezanie a nakladanie: v prípade potreby je možné rezací kotúč demontovať , v takom prípade fungujú nožnice na drevo ako drapák.

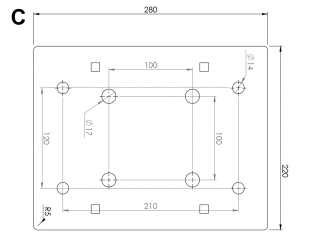
.png)

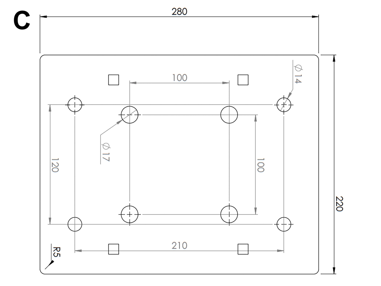
.png)


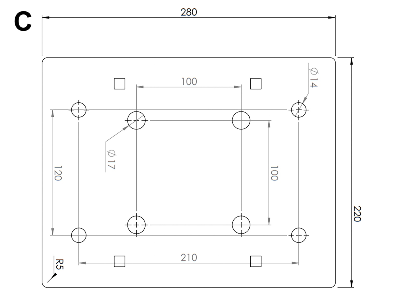
.png)

